Swivels designed for use in stringing high tension wires for electrical transmission and distribution. Swivels are important in pulling when the lines develop torsion during the installation. This torsion must be released. The use of a swivel will release torque and prevent it from reaching dangerous levels, which can cause damage to the cable or grip.
*Usually ships in 7 to 14 days.
Slingco also offers a ‘bull nose’ style swivel designed for underground and overhead applications.
All swivels are stringently quality tested and inspected to ensure optimum performance and reliability.
Features and benefits
- Releases torsion
- Prevents damage to cable or grip
- Suitable for underground or overhead applications
- Straight-line pulling only
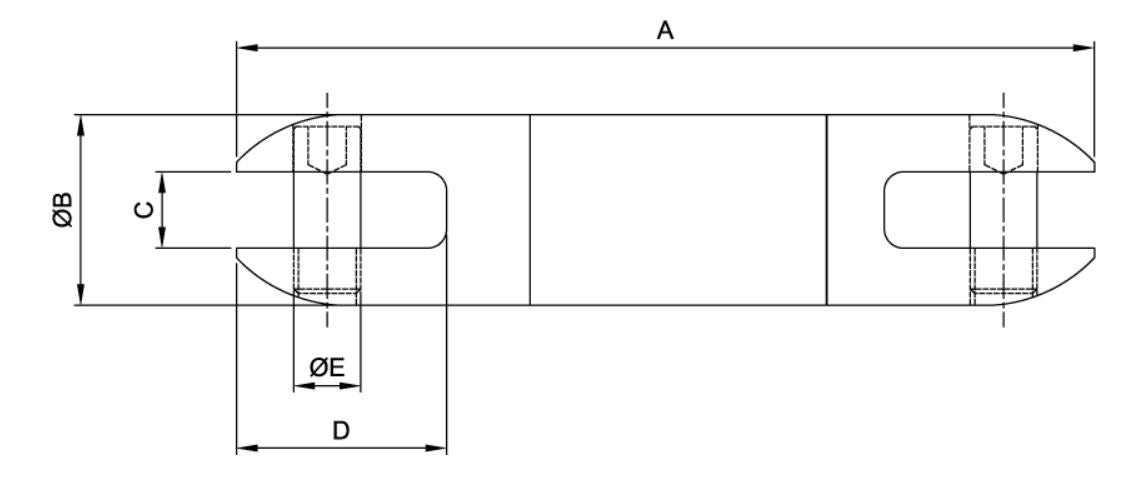
| Safe Working Load - Underground (lb) | Safe Working Load - Overhead (lb) | A (in) | Ø B (in) | C (in) | D (in) | Ø E (in) | Slingco Part No. |
|---|---|---|---|---|---|---|---|
| 2,250 | 1,350 | 3.375 | 0.875 | 0.375 | 0.875 | 0.313 | ZSW2091 |
| 3,500 | 2,100 | 4 | 1 | 0.438 | 0.688 | 0.375 | ZSW2092 |
| 5,000 | 3,000 | 4.938 | 1.25 | 0.562 | 1.25 | 0.375 | ZSW2093 |
| 7,000 | 4,200 | 5.188 | 1.375 | 0.562 | 1.406 | 0.5 | ZSW2094 |
| 10,000 | 6,000 | 6.188 | 1.625 | 0.703 | 1.75 | 0.65 | ZSW2096 |
| 15,000 | 9,000 | 7.313 | 2.094 | 0.781 | 2.125 | 0.719 | ZSW2097 |
Note:
3:1 factor of safety used, based on the ultimate load for underground use
5:1 factor of safety used, based on the ultimate load for overhead use
Swivels designed for use in stringing high tension wires for electrical transmission and distribution. Swivels are important in pulling when the lines develop torsion during the installation. This torsion must be released. The use of a swivel will release torque and prevent it from reaching dangerous levels, which can cause damage to the cable or grip.
*Usually ships in 7 to 14 days.
Slingco also offers a ‘bull nose’ style swivel designed for underground and overhead applications.
All swivels are stringently quality tested and inspected to ensure optimum performance and reliability.
Features and benefits
- Releases torsion
- Prevents damage to cable or grip
- Suitable for underground or overhead applications
- Straight-line pulling only
| Safe Working Load - Underground (lb) | Safe Working Load - Overhead (lb) | A (in) | Ø B (in) | C (in) | D (in) | Ø E (in) | Slingco Part No. |
|---|---|---|---|---|---|---|---|
| 2,250 | 1,350 | 3.375 | 0.875 | 0.375 | 0.875 | 0.313 | ZSW2091 |
| 3,500 | 2,100 | 4 | 1 | 0.438 | 0.688 | 0.375 | ZSW2092 |
| 5,000 | 3,000 | 4.938 | 1.25 | 0.562 | 1.25 | 0.375 | ZSW2093 |
| 7,000 | 4,200 | 5.188 | 1.375 | 0.562 | 1.406 | 0.5 | ZSW2094 |
| 10,000 | 6,000 | 6.188 | 1.625 | 0.703 | 1.75 | 0.65 | ZSW2096 |
| 15,000 | 9,000 | 7.313 | 2.094 | 0.781 | 2.125 | 0.719 | ZSW2097 |
Note:
3:1 factor of safety used, based on the ultimate load for underground use
5:1 factor of safety used, based on the ultimate load for overhead use

